公司简介
﹥
公司资质
发展历程
搪玻璃设备
非标设备
环保设备
成套设备
甲醛成套技术
乙醛成套技术
甲酸成套技术
多效蒸发成套技术
企业风貌
产品发运
联系方式
在线咨询
products
产品类别
Category
椭圆封头贮罐
大型贮罐
闭式不锈钢反应釜
闭式外盘管不锈钢反应罐
带内盘管不锈钢反应釜
开式不锈钢反应罐
蒸馏结晶槽
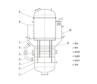
甲醛反应器
塔设备
扫一扫
浏览我司移动平台
关于天建
新闻动态
产品中心
销售业绩
生产中心
联系我们
江苏鑫科天建化工设备制造有限公司 版权所有(C)2024 网络支持 著作权声明 网站地图